上海朋升传动科技有限公司
HIWIN-TBI-THK-轴承机械配套一站式采购平台
首页
Home
公司简介
Nav
产品中心
Nav
新闻资讯
Nav
联系我们
Nav
下载专区
Nav
关于我们
Nav
台湾HIWIN上银直线导轨
台湾HIWIN上银丝杆
台湾HIWIN上银模组
日本THK直线导轨
交叉滚柱导轨
台湾TBI直线导轨
台湾TBI丝杆
台湾ABBA直线导轨
全国统一热线:
021-39949972 18918976972 15021726892
产品详情
分享
在线客服
客服一
客服一
客服一
客服一
客服一
客服一
上一个:
TBI精密滚珠丝杆花键RBBY系列
下一个:
TBI旋转式滚珠花键RLBF系列
TBI精密滚珠丝杆花键RSSY系列
类型
:
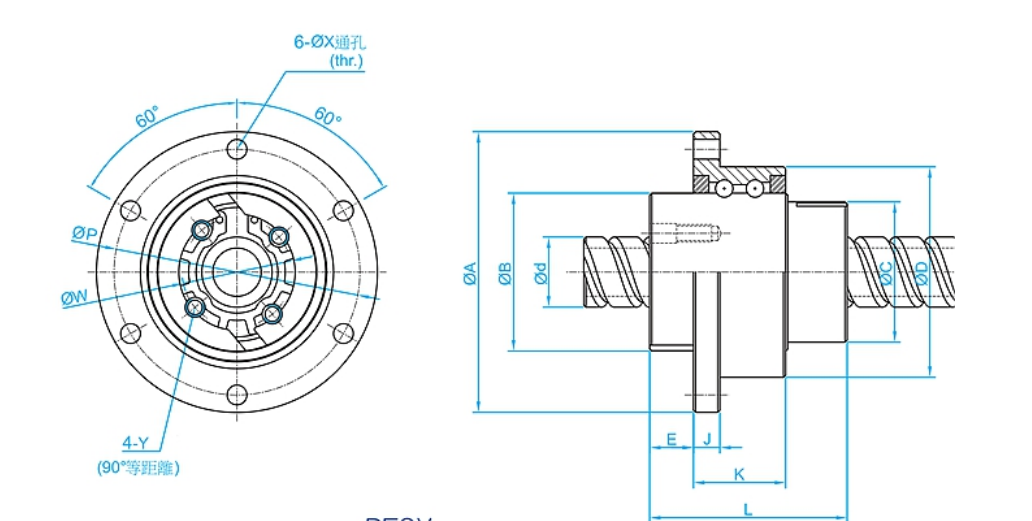
TBI精密滚珠丝杆花键RSSY系列是螺杆跟花键的结合一体式,TBI滚珠丝杆属于高精密机械部件,每一点细小的差别都可能造成机械的损伤,选用时一定要严谨对待,最好有详细图纸。TBI花键轴是机械传动一种,和平键、半圆键、斜键作用一样,都是传递机械扭矩的.
021-39949972
预约
产品详情
上海朋升传动科技有限公司
QQ:2284059916 QQ:3293191465
联系地址:
上海市嘉定区沪宜公路5358号1层J
联系电话:021-39949972
手机号码:
18918976972 15021726892