上海朋升传动科技有限公司
HIWIN-TBI-THK-轴承机械配套一站式采购平台
首页
Home
公司简介
Nav
产品中心
Nav
新闻资讯
Nav
联系我们
Nav
下载专区
Nav
关于我们
Nav
台湾HIWIN上银直线导轨
台湾HIWIN上银丝杆
台湾HIWIN上银模组
日本THK直线导轨
交叉滚柱导轨
台湾TBI直线导轨
台湾TBI丝杆
台湾ABBA直线导轨
全国统一热线:
021-39949972 18918976972 15021726892
产品详情
分享
在线客服
客服一
客服一
客服一
客服一
客服一
客服一
上一个:
TBI精密滚珠丝杆花键RSSY系列
下一个:
TBI旋转式滚珠花键RLSF系列
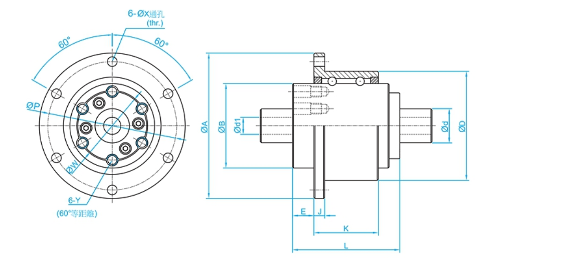
TBI旋转式滚珠花键RLBF系列
类型
:
TBI旋转式滚珠花键RLBF系列特点:多齿工作,承载能力高,对中性好,导向性好,齿根较浅,应力集中小,轴与毂强度削弱小,加工方便,能用磨削方法获得较高的精度。标准中有两个系列.
021-39949972
预约
产品详情
上海朋升传动科技有限公司
QQ:2284059916 QQ:3293191465
联系地址:
上海市嘉定区沪宜公路5358号1层J
联系电话:021-39949972
手机号码:
18918976972 15021726892