上海朋升传动科技有限公司
HIWIN-TBI-THK-轴承机械配套一站式采购平台
首页
Home
公司简介
Nav
产品中心
Nav
新闻资讯
Nav
联系我们
Nav
下载专区
Nav
关于我们
Nav
台湾HIWIN上银直线导轨
台湾HIWIN上银丝杆
台湾HIWIN上银模组
日本THK直线导轨
交叉滚柱导轨
台湾TBI直线导轨
台湾TBI丝杆
台湾ABBA直线导轨
全国统一热线:
021-39949972 18918976972 15021726892
产品详情
分享
在线客服
客服一
客服一
客服一
客服一
客服一
客服一
上一个:
RFBY型旋转花键
下一个:
TBI滚珠花键SOT系列
螺帽旋转式滚珠丝杆RFSY系列
类型
:
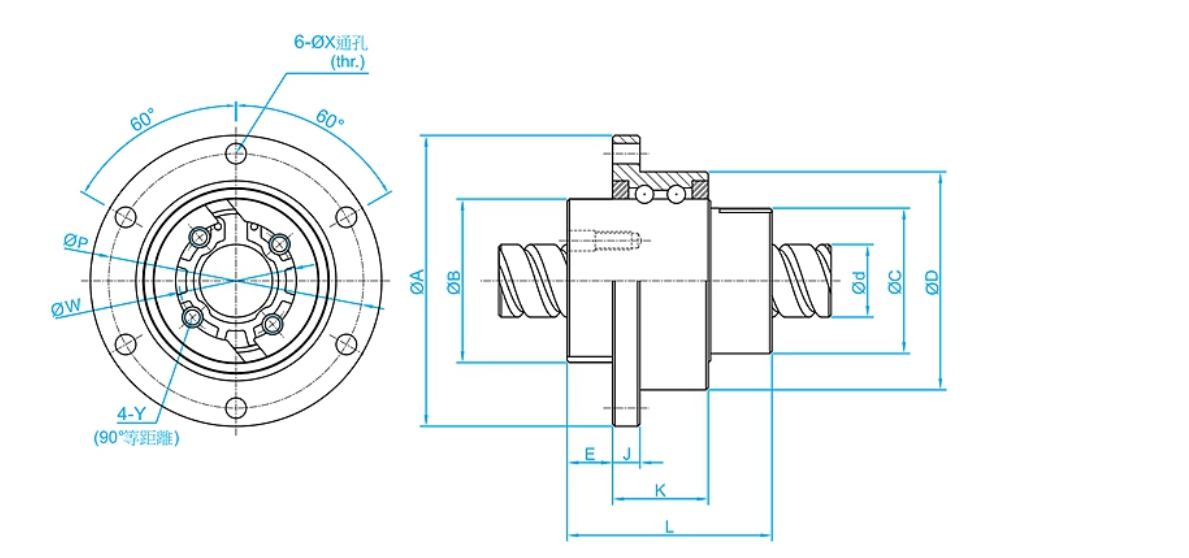
台湾TBI螺帽旋转式滚珠丝杆RFSY系列可以加预压由于预压力可使轴向间隙达到负值进而得到较高的刚性(滚珠丝杠内通过给滚珠加预压力在实际用于机械装置等时由于滚珠的斥力可使丝母部的刚性增强),高寿命。
021-39949972
预约
产品详情
上海朋升传动科技有限公司
QQ:2284059916 QQ:3293191465
联系地址:
上海市嘉定区沪宜公路5358号1层J
联系电话:021-39949972
手机号码:
18918976972 15021726892